A terminal is a part of a connector. The connector is a general term, which generally consists of two major parts, housing and terminal respectively. The housing is generally made of plastics, playing a protective role, while the terminal is generally made of metals, playing a conductive role. Terminal blocks are accessories used to make electrical connections and are used to facilitate the connection of wires. They are actually sheet metals buried in insulating plastics and they have holes at both ends for insertion of wires. They can be divided into pluggable terminal blocks and Euro terminal blocks.
Product Applications
• The connector terminal adopts snap-in fitting with the plastic parts, which is easy and convenient.
• With strong corrosion resistance, it can cope with harsh environments.
• With high assembly reliability, it can withstand multiple back-and-forth side compression during use.
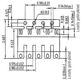
• Made of beryllium copper material, it has very good electrochemical compatibility.
• It adopts the continuous plating process with different coating thickness in different coating areas (increasing the coating thickness of local bump contacts based on overall plating) in order to meet the reliable contact friction of the terminal products.
Product Purposes
Connector terminals, as one of the most commonly used electronic components, are widely applied in computer, telecommunication, network communication, industrial electronics, transportation, aerospace, medical equipment and automotive industry and other fields.


| FC@Part No. | Specification | Material (mm) | Surface Treatment |
|---|---|---|---|
| S-1001 | 2pin | Beryllium copper, T=0.25mm | The overall gold plating is 0.15-0.25um, and the local gold plating is more than 1.25um |
| S-1002 | 3pin | Beryllium copper, T=0.25mm | The overall gold plating is 0.15-0.25um, and the local gold plating is more than 1.25um |
| S-1003 | 4pin | Beryllium copper, T=0.25mm | The overall gold plating is 0.15-0.25um, and the local gold plating is more than 1.25um |
| S-1004 | 6pin | Beryllium copper, T=0.25mm | The overall gold plating is 0.15-0.25um, and the local gold plating is more than 1.25um |
| S-1005 | 8pin | Beryllium copper, T=0.25mm | The overall gold plating is 0.15-0.25um, and the local gold plating is more than 1.25um |