A built-in springstock can be added to the tuned filter in order to ensure a good contact with the resonant rod and a good electrical connection between the resonant rod and the cavity of the filter and to greatly improve the electrical performance of the tunable filter. It is made by winding the beryllium copper materials into a cylindrical structure and connecting multiple springspock racks between the two ends of the cylindrical structure, with the springspock racks encircling the edges of the cylinder structure. It is simple in construction, and convenient to process and assemble.
Features and Advantages
• It adopts snap-in or adhesive mounting, which is convenient and simple
• It has excellent resilience and shielding effectiveness.
• With high assembly reliability, it can withstand multiple back-and-forth side compression.
• Made of beryllium copper material, it has very good electrochemical compatibility.
Product Applications
Mainly used in the filter module of the communication industry.
| FC@Part No. | Specification (mm) | Material (mm) | Surface Treatment | Packing | Shape and Size |
|---|---|---|---|---|---|
| FL-1001 | 24.7*2.5 | Beryllium copper, T=0.08mm | Tinned 2.5-7.5um | Blister tray | ![]() |
| FL-1002 | 23.3*2.5 | Beryllium copper, T=0.08mm | Tinned 2.5-7.5um | Blister tray | ![]() |
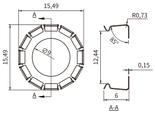
| FL-1003 | 15.5*6 | Beryllium copper, T=0.15mm | Gilded 0.1um | Blister tray | ![]() |
| FL-1004 | 31.2*4.5 | Beryllium copper, T=0.08mm | Tinned 2.5-7.5um | Blister tray | ![]() |
| FL-1005 | 13.8*3.6 | Beryllium copper, T=0.08mm | Tinned 2.5-7.5um | Blister tray | ![]() |